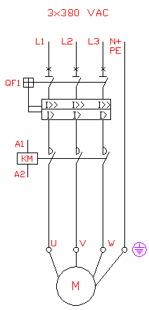
Схеми за електрическо свързване на вибрационните двигатели
схема 1 (380 VAC)
схема 2 (42 VAC)
Вибраторът се доставя от фирма "ЕКОФОРС" с изводен кабел с дължина L=2 m.
Когато е необходимо към изводния кабел се свързва захранващ кабел.
Свързването на изводният и захранващият кабели се извършва от правоспособен електротехник.
Не използвайте дефектни кабели.
Захранващият вибратора кабел трябва да е тип HO7RN-F (IEC245-4 1980) или негов аналог ШКПТ (БДС1473-90) със сечения съответно 4х1.5 mm2
при напрежение 380 VAC и 3х2.5 mm2
при напрежение 42 VAC.
Посочените сечения да се използват при дължини на кабела до 40 m.
Защитата на вибратора от претоварване и къси съединения да се осигурява чрез термо-магнитни автоматични изключватели (QF1 - схема 1 и схема 2).
Контакторът KM1 се използва за дистанционно управление на вибратора, когато е монтиран към стационарно съоръжение.
Вибраторите за напрежение 42 VDC се захранват посредством защитен трансформатор (схема 2).
Статорната намотка и токопроводимите части не са свързани към земя и защитен проводник (без защитна клема).
За включване на вибратора към защитния трансформатор да се използва щепсел 3P/16А за напрежение 50 V.
Вибраторите за напрежение 380 VAC се захранват от табло ниско напрежение.
Токопроводимите части на вибратора електрически са свързани към заземителната клема.
Към заземителната клема е свързан и защитния проводник (жълто-зелен).
Когато защитният трансформатор, както и вибратор са захранени с напрежение 3х380 V и се използват на открито, е препоръчително да се свържат към изводи в табло НН, защитени с дефектно-токова защита 30 mA (БДС 364 (IEC60364)).